Produkte / Drehbankfutter,Planscheiben und Flansche


Ersatzbacken für Sechsbacken-Drehfutter

Typ 3864
Drehbacken hart (Härte 56 HRC)

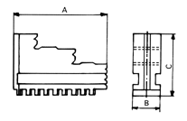
Größe D mm Bezeichnung A mm B mm C mm
160 DB 70 20 53
200 DB 85 25 54
250 DB 105 28 63
315 DB 125 32 73
400 DB 145 36 92