Produkte / Drehbankfutter,Planscheiben und Flansche


Planscheiben aus Guss

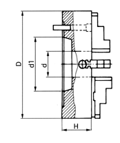
Typ 4314
Bauart: Planscheibe mit Kurzkegelaufnahme nach DIN 55026. Geeignet zur Aufnahme von unregelmäßig geformten Werkstücken.

Material: Der Körper ist aus Guss. Die Spannflächen der Stahlbacken sind gehärtet.

Lieferumfang: 1 Satz ungeteilte Backen, 1 Spannschlüssel und Befestigungsschrauben. Ersatzbacken: HUB-Harte Umkehrbacken, GB-Grundbacken, HAB-Harte Aufsatzbacken. Auf Anfrage erhalten Sie diese Drehfutter auch mit geteilten Backen und/oder als Stahlgusskörper. Maximale Drehzahlangabe nur bei zentrischer Spannung der Werkstücke gültig!

Größe D mm Kegel-Ø d1 mm Bohrungs-Ø d mm Höhe o. Backen
H mm
Max. Drehzahl min-1
200/4 63,513 50 80 1800
200/5 82,563 50 80 1800
200/6 106,375 50 80 1800
250/5 82,563 65 85 1500
250/6 106,375 65 85 1500
250/8 139,719 65 85 1500
315/5 82,563 80 95 1200
315/6 106,375 80 95 1200
315/8 139,719 80 95 1200
400/6 106,375 100 105 800
Größe D mm Kegel-Ø d1 mm Bohrungs-Ø d mm Höhe o. Backen
H mm
Max. Drehzahl min-1
400/8 139,719 100 105 800
400/11 196,869 100 105 800
500/8 139,719 125 120 500
500/11 196,869 125 120 500
500/15 285,775 125 120 500
630/8 139,719 125 140 400
630/11 196,869 160 140 400
630/15 285,775 160 140 400
800/11 196,869 180 160 300
800/15 285,775 200 160 300