Produkte / Drehbankfutter,Planscheiben und Flansche


Planscheiben aus Stahl oder Guss

Typ 4304

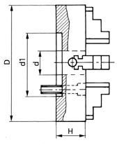
Bauart: Planscheiben mit zylindrischer Aufnahme zum Spannen von unregelmäßig geformten Werkstücken. Maximale Drehzahlangabe nur bei zentrischer Spannung der Werkstücke gültig.

Material: Der Körper ist bis ¯ 160 aus Stahl, ab ¯ 200 aus Guss. Die Spannflächen der Stahlbacken sind gehärtet. * Stahlkörper

Lieferumfang: 1 Satz ungeteilte Backen, 1 Spannschlüssel und Befestigungsschrauben.

Größe D mm Zentrier-Ø d1 H7 mm Bohrungs-Ø d mm Höhe o. Backen H mm Max. Drehzahl min-1
85* 62,00 25 40 4000
100* 79,38 25 40 3800
125* 69,85 26 43 3500
160* 82,55 42 43 3200
200 110,00 50 80 1800
250 150,00 65 85 1500
Größe D mm Zentrier-Ø d1 H7 mm Bohrungs-Ø d mm Höhe o. Backen H mm Max. Drehzahl min-1
315 175,00 80 95 1200
400 200,00 100 105 800
500 270,00 125 120 500
630 270,00 160 140 400
800 380,00 200 160 300