Produkte / Drehbankfutter,Planscheiben und Flansche


Keilstangen-Drehfutter

Typ 3444 DIN 55029
Selbstzentrierendes Drehfutter mit Kurzkegelaufnahme nach DIN 55029 (Cushman), bestehend aus einem gehärteten Stahlkörper mit geschliffenen Führungen. Die spezielle Backensicherung bietet zusätzlichen Schutz. Das Futter verfügt über einen präzisen Rundlauf, eine hohe Wiederholgenauigkeit sowie über hohe Spannkraft bei geringem Kraftaufwand. Das Futter zeichnet sich durch eine sehr hohe Rundlaufgenauigkeit und lange Lebensdauer aus. Ersatzbacken: HUB, GB, WAB, HAB.

Material: Gehärteter Stahl

Lieferumfang: 1 Satz harte einteilige Umkehrbacken, 1 Spannschlüssel und Befestigungsschrauben. Lieferzeit für alle Abmessungen auf Anfrage! Auf Anfrage erhalten Sie diese Drehfutter auch mit geteilten Backen.

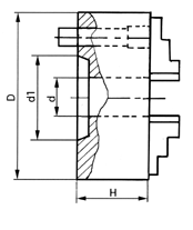
Größe D mm Kegel-Ø d1 mm Bohrungs-Ø d mm Höhe o. Backen
H mm
Max. Drehzahl min-1
160/4 63,513 40 84,5 4000
160/5 82,563 40 92,0 4000
200/5 82,563 51 99,5 3500
200/6 106,375 51 105,0 3500
250/6 106,375 66 126,0 3000
250/8 139,719 66 129,0 3000
315/8 139,719 90 142,0 2300
315/11 196,869 90 144,0 2300