Produkte / Drehbankfutter,Planscheiben und Flansche


Ersatzbacken für Dreibacken-Drehfutter - MB

Typ 4505
Ausführung: Monoblockbacken weich

Verwendung: Passend für 4505.

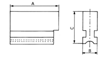
Größe D mm Bezeichnung A mm B mm C mm
200 MB 85 25 58
250 MB 91 28 61
315 MB 125 32 73
400 MB 145 36 90
500 MB 180 40 100
630 MB 225 50 108