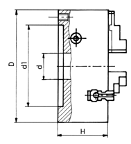
Drehfutter mit zylindrischer Zentrieraufnahme nach DIN 6351 (System Wescott). Das Drehfutter bietet unterschiedliche Spannmöglichkeiten, die sowohl eine zentrische, als auch eine Einzelverstellung der Backen ermöglicht. Zum Spannen von unregelmäßig geformten Werkstücken (z.B. Planscheiben) besonders geeignet. * Maximale Drehzahlangabe nur bei zentrischer Spannung der Werkstücke möglich! Ersatzbacken: HUB-harte Umkehrbacken, MB-Monoblockbacken.
Material: Der Drehfutterkörper ist aus Guss. Der Spiralring und die Backen sind durch Aufkohlen gehärtet, dann geschliffen. Alle Funktionsflanken sind geschliffen.
Lieferumfang: 1 Satz harte Umkehrbacken, 1 Kombi-Spannschlüssel und Befestigungsschrauben.
|
 |
 |