Produkte / Drehbankfutter,Planscheiben und Flansche


Vierbacken-Drehfutter aus Stahl

Typ 3744 DIN 55029
Bauart: Drehfutter mit Kurzkegelaufnahme nach DIN 55029 (Cushman). Das Drehfutter gewährleistet eine gleichmäßige Spannkraft durch zentrisch spannende Backen sowie eine hohe Rundlaufgenauigkeit, z.B. bei Durchmesser 250 mm von 0,04 mm, also besser als DIN fordert (0,06 mm). Ersatzbacken: MB-Monoblockbacken, HAB-Harte Aufsatzbacken, DB-Drehbacken, BB-Bohrbacken, GB-Grundbacken, WAB-Weiche Aufsatzbacken.

Material: Der Drehfutterkörper ist aus gesenkgeschmiedetem Stahl. Der Spiralring und die Backen sind durch Aufkohlen gehärtet, dann geschliffen. Das Futter und der Spiralring sind gewuchtet. Alle Funktionsflanken sind geschliffen.

Lieferumfang: 1 Satz Bohrbacken, 1 Satz Drehbacken, 1 Spannschlüssel und Befestigungsschrauben. Auf Anfrage erhalten Sie diese Drehfutter auch mit geteilten Backen.

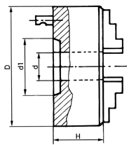
Größe D mm Kegel-Ø d1 mm Bohrungs-Ø d mm Höhe o. Backen
H mm
Max. Drehzahl min-1
125/3 53,975 32 59,5 4800
125/4 63,513 32 59,5 4800
160/4 63,513 42 68,0 4500
160/5 82,563 42 68,0 4500
200/5 82,563 55 78,0 4000
200/6 106,375 55 78,0 4000
Größe D mm Kegel-Ø d1 mm Bohrungs-Ø d mm Höhe o. Backen
H mm
Max. Drehzahl min-1
250/6 106,375 76 89,0 3500
250/8 139,719 76 89,0 3500
315/6 106,375 103 96,2 2800
315/8 139,719 103 96,2 2800
400/8 139,719 136 108,0 2000
400/11 196,869 136 108,0 2000